QR kód
Produkty
Kontaktujte nás


Fax
+86-574-87168065

E-mailem

Adresa
Průmyslová oblast Luotuo, okres Zhenhai, město Ningbo, Čína
Univerzální spojka SWC-WF bez ohebné příruby od Raydafonu je vyrobena pouze pro přenos vysokého točivého momentu v těžkých strojích – vzpomeňte si na metalurgická zařízení, jeřáby, těžební systémy, všechna náročná nastavení, která vyžadují stálý výkon. Má neflexibilní konstrukci příruby, průměr otáčení v rozmezí od 160 mm do 640 mm a tato univerzální spojka přírubového typu bez problémů zvládá velké úhlové nesouososti a plynulé rychlosti otáčení, a to i při práci v extrémně náročných podmínkách. K výrobě používáme vysokopevnostní ocel 35CrMo, takže perfektně odolává intenzivnímu zatížení – právě proto je to nejlepší volba pro univerzální spojky pro těžké stroje a univerzální spojky bez ohebnosti pro průmyslové aplikace. Precizní výroba Raydafonu zajišťuje, že pokaždé poskytuje solidní výkon, zejména pro průmyslová odvětví, která nemohou dělat kompromisy v oblasti konzistentního dodávání točivého momentu.
Tato univerzální spojka SWC-WF je vyrobena tak, aby vydržela, s pevným přírubovým spojením, které usnadňuje instalaci v systémech, jako jsou pohony pro stavbu lodí a válcovny – místa, kde axiální pohyb není příliš velký. Přísně dodržujeme normy ISO 9001 a naše továrna se sídlem v Číně používá pokročilé obrábění a přísné kontroly kvality k výrobě této odolné univerzální přírubové spojky. Dodává se v přizpůsobitelných velikostech s točivým momentem až 1250 kN·m, takže se hodí přímo do zakázkových univerzálních spojek pro metalurgická zařízení a další zařízení pro velké zatížení. Raydafon také nabízí řešení na míru za konkurenceschopné ceny, což pomáhá zkrátit prostoje a zvýšit spolehlivost vašeho zařízení.
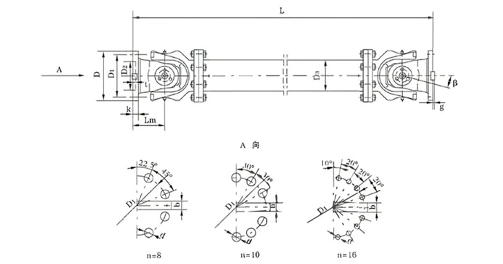
| Žádný. | Průměr kroužení D mm | Nominální točivý moment Tn KN·m | Úhel skládání os β (°) | Opotřebený točivý moment Tf KN·m | Velikost (mm) | Rotační setrvačnost kg.m2 | Hmotnost (kg) | |||||||||||
| Lmin | D1 (js11) | D2 (H7) | D3 | Lm | n-d | k | t | b (h9) | g | Lmin | Zvýšení 100 mm | Lmin | Zvýšení 100 mm | |||||
| SWC285WF | 285 | 90 | 45 | ≤15 | 810 | 245 | 170 | 194 | 160 | 8-21 | 27 | 7 | 40 | 15 | 2.664 | 0.051 | 220 | 6.3 |
| SWC315WF | 315 | 125 | 63 | 915 | 280 | 185 | 219 | 180 | 10-23 | 32 | 8 | 40 | 15 | 4.469 | 0.0795 | 300 | 8.0 | |
| SWC350WF | 350 | 180 | 90 | 980 | 310 | 210 | 267 | 194 | 10-23 | 35 | 8 | 50 | 16 | 7.388 | 0.2219 | 412 | 15.0 | |
| SWC390WF | 390 | 250 | 125 | 1100 | 345 | 235 | 267 | 215 | 10-25 | 40 | 8 | 70 | 18 | 13.184 | 0.2219 | 588 | 15.0 | |
| SWC440WF | 440 | 355 | 180 | 1290 | 390 | 255 | 325 | 260 | 16-28 | 42 | 10 | 80 | 20 | 23.250 | 0.4744 | 880 | 21.7 | |
| SWC490WF | 490 | 500 | 250 | 1360 | 435 | 275 | 325 | 270 | 16-31 | 47 | 12 | 90 | 22.5 | 40.750 | 0.4744 | 1173 | 21.7 | |
| SWC550WF | 550 | 710 | 355 | 1510 | 492 | 320 | 426 | 305 | 16-31 | 50 | 12 | 100 | 22.5 | 68.480 | 1.3570 | 1663 | 34.0 | |
| SWC620WF | 620 | 1000 | 500 | 1690 | 555 | 380 | 426 | 340 | 10-38 | 55 | 12 | 100 | 25 | 127.530 | 1.3570 | 2332 | 34.0 | |
* 1. Tf-při střídavém zatížení točivý moment, který umožňuje podle únavové pevnosti.
* 2. Délka instalace L, která je podle požadavku.
Raydafonova spojka SWC-WF bez univerzálního kloubu typu flex příruby – také nazývaná spojka univerzálního kloubu kardanové hřídele SWC – funguje na základní mechanické myšlence: přenáší točivý moment ze dvou nekolineárních hřídelů tam, kam potřebuje, a také si poradí s nesouosostí. Tato spojka univerzálního kloubu s vysokým kroutícím momentem používá nastavení křížového ložiska k propojení přírub na obou koncích, takže i když jsou hřídele posunuté až o 25 stupňů nebo mají axiální/radiální odchylky, stále plynule přenáší rotační sílu.
Srdcem toho, jak to funguje, je design univerzálního kloubu – je zde příčný hřídel, který funguje jako čep a umožňuje, aby se každá příruba pohybovala samostatně. Tímto způsobem přechází točivý moment z hnací hřídele na hnanou hřídel efektivně a vyrovnává úhlové nesouososti, aniž by příliš namáhal součásti, ke kterým je připojen. Pokud potřebujete spolehlivou a robustní spojku univerzálního kloubu pro provoz válcovny, tato pevná, nepružná přírubová struktura udržuje věci stabilní, což je ideální pro připojení na krátké vzdálenosti v kompaktních sestavách těžkých strojů.
Jeho funkce vyniká tím, že nemá flexibilní části ani rozšiřovací prvky – to jej odlišuje od ostatních typů a je skvělé pro místa, kde je axiální pohyb minimální. Odolná spojka kloubového hřídele SWC, kterou používáme ve zvedacích a manipulačních zařízeních, se opírá o tento princip, aby zůstala vyvážená i při velkém zatížení; dosahuje účinnosti přenosu až 98,6 % a neplýtvá příliš energií. Tato průmyslová spojka univerzálního kloubu také snižuje vibrace díky přesnému pohybu ložisek, takže běží hladce i ve vysoce namáhaných situacích – stejně jako systémy univerzálních spojek těžkých strojů, které byste viděli v náročných průmyslových aplikacích.
Silná univerzální spojka Raydafon SWC navíc má přivařené příruby, aby byla robustnější – už se nemusíte bát uvolnění šroubů a zvyšuje celkovou pevnost o 30 až 50 %. Jako účinná univerzální spojka pro přenos velkého výkonu zvládá jmenovité krouticí momenty od 0,15 do 1000 kN·m a má průměr otáčení od φ58 do φ620, což z ní činí nejlepší volbu pro energeticky úsporná řešení spojky univerzálního kloubu v náročných průmyslových převodovkách. A s hlukem udržovaným mezi 30-40 dB(A) tato nízkohlučná spojka s univerzálním kloubem běží tiše, což je ideální pro průmyslová místa, kde je problémem hluk, a to vše při zachování vysokých standardů spolehlivosti.
Univerzální kloubová spojka SWC společnosti Raydafon – často nazývaná kloubová spojka kardanového hřídele SWC – není jen běžnou součástí; je to nutnost pro těžké průmyslové instalace, jako jsou válcovny, zdvihací stroje a všechny druhy těžkých systémů těžkého strojního zařízení. Jako spojka univerzálního kloubu s vysokým kroutícím momentem odvádí solidní práci a spojuje dva převodové hřídele, které nejsou dokonale zarovnány, a zajišťuje, že výkon proudí, i když se pracovní podmínky zhorší.
Promluvme si o jeho klíčových specifikacích: průměr otáčení se pohybuje od φ58 do φ620, jmenovitý točivý moment se pohybuje od 0,15 do 1000 kN·m a úhel osy není větší než 25°.
Tento produkt skutečně zazáří ve specifických situacích – například když potřebujete spolehlivou a vysoce výkonnou spojku univerzálního kloubu pro provoz válcoven nebo odolnou spojku univerzálního kloubu SWC ve zvedacích a manipulačních zařízeních. V těchto případech se osvědčuje tím, že udržuje provoz stabilní, i když se jedná o velké zatížení.
Univerzální kloubová spojka SWC od Raydafonu není postavena pouze pro funkci – je navržena s chytrým designem, aby obstála v průmyslovém použití a udržela si dlouhodobě dobrý výkon. Pojďme si rozebrat, čím vyniká jeho struktura.
Za prvé, má rozumnou a bezpečnou konfiguraci: pro tuto průmyslovou spojku univerzálního kloubu jsme použili integrovanou konstrukci vidlicové hlavy, která snižuje rizika, jako je uvolnění nebo zlomení šroubů. To samo o sobě zvyšuje jeho strukturální integritu o 30% - 50%, takže funguje bezpečně a spolehlivě. Ve srovnání s běžnými spojkami vydrží déle a zabrání běžným poruchám na vysoce namáhaných místech – jako jsou systémy univerzálních spojek těžkých strojů, které vidíte při náročných pracích.
Pak je tu jeho zvýšená nosnost: tato vysoce odolná univerzální kloubová spojka SWC je vyrobena tak, aby zvládla velké hmotnosti, takže je nezbytností na místech, která vyžadují špičkové řízení zatížení, jako jsou důlní nebo stavební stroje.
Poskytuje také vysokou účinnost přenosu – dosahující až 98,6 %. Jako účinná univerzální spojka pro přenos velkého výkonu snižuje spotřebu energie a náklady s tím spojené. To je důvod, proč je to nejlepší volba pro energeticky úsporná řešení spojky s univerzálním kloubem ve vysoce výkonných průmyslových převodovkách.
A běží hladce s nízkou hlučností: udržuje přenos stabilní a hluk se obvykle pohybuje mezi 30-40 dB(A). Tato nízkohlučná univerzální spojka zajišťuje, že provoz zůstane tichý, což je ideální pro místa, kde je problémem hluk – to vše při zachování spolehlivosti na vysoké úrovni.
⭐⭐⭐⭐⭐ Chen Liang, výrobní inženýr, Zhejiang Machinery Co., Ltd.
Na jednu z našich výrobních linek jsme umístili univerzální spojku SWC-WF od Raydafonu bez ohebné příruby a zatím funguje skvěle. Konstrukce je jednoduchá, ale pevná – její instalace byla hračka, žádné složité kroky. Jakmile je nastaven, běží hladce, není třeba dalších úprav. I když je náklad těžký, zůstává tato spojka spolehlivá, což znamená, že můžeme nechat stroje běžet dlouhé hodiny bez přílišných starostí – rozhodně nám dává větší klid.
⭐⭐⭐⭐⭐ Sun Mei, vedoucí nákupu, Hebei Steel Co., Ltd.
Naše společnost zakoupila několik univerzálních spojek SWC-WF bez ohebné příruby od společnosti Raydafon a za prvé, dodávka byla v pořádku a balení bylo také pečlivé – žádné poškození. Co pro mě opravdu stojí, je to, co řekl tým z dílny: řekli mi, že spojky se snadno instalují a při jejich použití jsou opravdu pevné. Navíc oproti jiným dodavatelům je zde cena férová. Celkově vzato jsme s tímto nákupem opravdu spokojeni.
⭐⭐⭐⭐⭐ Guo Jun, manažer údržby, Liaoning Heavy Industry Group
Mým úkolem je udržovat naše stroje v chodu a snažím se zkrátit prostoje, jak jen to jde. Od té doby, co jsme začali používat Raydafon SWC-WF bez univerzální spojky Flex Flange Type, jsem si všiml velkého rozdílu – menší opotřebení součásti a mnohem méně problémů během provozu. Konstrukce je odolná a nevyžaduje mnoho údržby. To nám šetří čas i peníze a ukázalo se, že je to super spolehlivá součást našeho vybavení.
Raydafon je klíčovou dceřinou společností EVER-POWER Group Co., Ltd. – nejsme pouze dodavatelem, ale poskytovatelem vysoce kvalitních převodových komponentů a průmyslových řešení a klademe velký důraz na inovativní produkty, jako je spojka kardanového hřídele SWC. Od chvíle, kdy jsme začali, jsme se všichni zabývali pokrokem v technologii a růstem na globálních trzích; nezastavili jsme se u prodeje jednotlivých komponentů – nyní vytváříme kompletní systémová řešení, která dokonale vyhovují potřebám zemědělství a těžkého průmyslu. Naše know-how v oblasti hnacích hřídelí a převodových produktů znamená, že klienti, kteří potřebují spolehlivou a vysoce výkonnou univerzální spojku pro válcovací stolice (a další náročné práce), se na nás mohou spolehnout jako na solidního partnera.
Ve společnosti Raydafon vyrábíme širokou škálu produktů: převodovky, hnací hřídele, hydraulické válce, řemenice a dokonce i pokročilé obráběcí stroje, jako jsou CNC soustruhy a frézky. Naše řešení spojky univerzálního kloubu s vysokým točivým momentem – vezměte si například řadu SWC – jsou navržena tak, aby zvládla přísné požadavky průmyslových odvětví, která potřebují trvanlivou spojku univerzálního kloubu SWC ve zdvihacích zařízeních a zařízeních pro manipulaci s materiálem. Máme také pokročilé vybavení: CNC dílny, stroje na broušení a tepelné zpracování, nástroje pro 3D měření – to vše v souladu s normami ISO9001/TS16949, takže každá průmyslová spojka univerzálního kloubu, kterou vyrábíme, je špičková a přesná.
Prodáváme 80 % našich produktů do zámoří, na trhy jako USA, Německo, Japonsko, Itálie, Malajsie, Austrálie a Střední východ. A máme silnou síť v místech, jako je Čína, Jižní Korea, Spojené království, Singapur, USA a Španělsko, které to podporují. Tento globální dosah nám umožňuje vytvářet přizpůsobená řešení, jako je vysoce výkonná univerzální kloubová spojka SWC – navržená pro systémy univerzálních kloubových spojek těžkých strojů, které potřebují zvládnout velká zatížení a mají dlouhou životnost.
Naší prioritou jsou inovace a spokojenost zákazníků. Nabízíme energeticky úsporná řešení spojky s univerzálním kloubem, která dosahují účinnosti převodu až 98,6 %, čímž snižují provozní náklady u vysoce výkonných sestav. Ať už potřebujete účinnou univerzální spojku pro přenos velkého výkonu nebo nízkohlučnou univerzální spojku pro místa, kde záleží na hluku, naše produkty jsou dodávány s profesionálním poprodejním servisem – a my jsme odhodláni dělat věci správně. To je důvod, proč je Raydafon nejlepší volbou pro všechny vaše přenosové potřeby.
Adresa
Průmyslová oblast Luotuo, okres Zhenhai, město Ningbo, Čína
Tel
E-mailem


+86-574-87168065


Průmyslová oblast Luotuo, okres Zhenhai, město Ningbo, Čína
Copyright © Raydafon Technology Group Co., Limited Všechna práva vyhrazena.
Links | Sitemap | RSS | XML | Zásady ochrany osobních údajů |
