QR kód
Produkty
Kontaktujte nás


Fax
+86-574-87168065

E-mailem

Adresa
Průmyslová oblast Luotuo, okres Zhenhai, město Ningbo, Čína
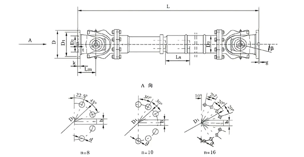
Univerzální spojka standardního ohebného přírubového typu Raydafon SWC-BF je zkonstruována tak, aby spolehlivě přenášela točivý moment v těžkých strojích – například válcovnách, papírenských zařízeních, průmyslových pohonech a všech zařízeních, která vyžadují náročný výkon. Má flexibilní přírubový design s průměry otáčení od 180 mm do 620 mm a tato standardní flexibilní univerzální spojka zvládá úhlové nesouososti až do 15 stupňů plus krouticí moment až 1250 kN·m. I v náročných pracovních prostředích běží stabilně, bez výpadků. Vyrábíme je z vysokopevnostní oceli 35CrMo a přesných jehlových ložisek, takže se perfektně hodí jako univerzální spojky pro průmyslové stroje a pružné přírubové spojky pro těžká zařízení – silně posouvá výkon a sotva si všimnete jakýchkoli vibrací.
Naše výroba v Číně se řídí normami ISO 9001, takže univerzální spojka SWC-BF vydrží dlouho a odolává korozi – to vše díky pochromovanému křížovému hřídeli. Přírubové připojení usnadňuje instalaci, což je velká pomoc v oborech, jako je metalurgie, hornictví a stavba lodí – tedy v místech, kde potřebujete mírnou axiální flexibilitu. Můžeme přizpůsobit i jeho velikost a jmenovité krouticí momenty, takže tato odolná flex univerzální spojka funguje skvěle jako zakázková univerzální spojka pro válcovny a další průmyslové potřeby. A cena je konkurenceschopná, žádné přebíjení. Know-how společnosti Raydafon znamená, že strávíte méně času údržbou a vaše zařízení zůstane spolehlivější – to je něco, na co se mohou operátoři po celém světě spolehnout.
| Žádný. | Průměr kroužení D mm | Nominální točivý moment Tn KN·m | Úhel skládání os β (°) | Opotřebený točivý moment Tf KN·m | Flex množství Ls mm | Velikost (mm) | Rotační setrvačnost kg.m2 | Hmotnost (kg) | |||||||||||
| Lmin | D1 (js11) | D2 (H7) | D3 | Lm | n-d | k | t | b (h9) | g | Lmin | Zvýšení 100 mm | Lmin | Zvýšení 100 mm | ||||||
| SWC180BF | 180 | 12.5 | 6.3 | ≤25 | 100 | 810 | 155 | 105 | 114 | 110 | 8-17 | 17 | 5 | -1.455 | - | 0.27 | 0.0070 | 80 | 2.8 |
| SWC225BF | 225 | 40 | 20 | ≤15 | 140 | 920 | 196 | 135 | 152 | 120 | 8-17 | 20 | 5 | 32 | 9 | 0.79 | 0.0234 | 138 | 4.9 |
| SWC250BF | 250 | 63 | 31.5 | 1035 | 218 | 150 | 168 | 140 | 8-19 | 25 | 6 | 40 | 12.5 | 1.46 | 0.0277 | 196 | 5.3 | ||
| SWC285BF | 285 | 90 | 45 | 1190 | 245 | 170 | 194 | 160 | 8-21 | 27 | 7 | 40 | 15 | 2.87 | 0.0510 | 295 | 6.3 | ||
| SWC315BF | 315 | 125 | 63 | 1315 | 280 | 185 | 219 | 180 | 10-23 | 32 | 8 | 40 | 15 | 5.09 | 0.0795 | 428 | 8.0 | ||
| SWC350BF | 350 | 180 | 90 | 150 | 1410 | 310 | 210 | 267 | 194 | 10-23 | 35 | 8 | 50 | 16 | 9.20 | 0.2219 | 632 | 15.0 | |
| SWC390BF | 390 | 250 | 125 | 170 | 1590 | 345 | 235 | 267 | 215 | 10-25 | 40 | 8 | 70 | 18 | 16.62 | 0.2219 | 817 | 15.0 | |
| SWC440BF | 440 | 355 | 180 | 190 | 1875 | 390 | 255 | 325 | 260 | 16-28 | 42 | 10 | 80 | 20 | 28.24 | 0.4744 | 1290 | 21.7 | |
| SWC490BF | 490 | 500 | 250 | 190 | 1985 | 435 | 275 | 325 | 270 | 16-31 | 47 | 12 | 90 | 22.5 | 46.33 | 0.4744 | 1631 | 21.7 | |
| SWC550BF | 550 | 710 | 355 | 240 | 2300 | 492 | 320 | 426 | 305 | 16-31 | 50 | 12 | 100 | 22.5 | 86.98 | 1.3570 | 2567 | 34.0 | |
| SWC620BF | 620 | 1000 | 500 | 240 | 2500 | 555 | 380 | 426 | 340 | 10-38 | 55 | 12 | 100 | 25 | 147.50 | 1.3570 | 3267 | 34.0 | |
Univerzální spojky – také nazývané spojky s univerzálním kloubem – jsou mechanické části, které přenášejí krouticí moment a rotační pohyb mezi dvěma hřídeli, které nemusí být dokonale zarovnány. Zvládají úhlové, axiální a radiální nesouososti, to vše při zachování účinnosti přenosu energie v různých průmyslových použitích. U společnosti Raydafon je naše řada spojek s kardanovým kloubem SWC špičkovým příkladem zdejšího špičkového inženýrství, která nabízí řešení spojek s kardanovým kloubem s vysokým točivým momentem vytvořená právě pro místa s velkým zatížením, jako jsou válcovny a zdvihací stroje.
Pojďme si rozebrat hlavní typy univerzálních kloubových spojek:
První na řadě je jednoduchý univerzální kloub. Má jeden křížový čep spojující dvě třmeny, který umožňuje hřídelům mít úhlové vyosení až 45 stupňů. Funguje dobře pro nastavení s mírnými offsety, i když to může způsobit změny rychlosti. Spolehlivá vysoce výkonná univerzální kloubová spojka Raydafon pro provoz válcoven často používá konstrukce s jedním kloubem v kompaktních konstrukcích, takže skvěle drží i při velkém zatížení.
Pak je tu dvojitý univerzální kloub. Má dva jednoduché klouby spojené dohromady, což zvládá větší nesouososti a udržuje rychlost přenosu téměř konstantní – ideální pro složité nastavení hřídele. Když potřebujete odolnou SWC spojku kloubového hřídele ve zvedacích a manipulačních zařízeních, modely Raydafon s dvojitým kloubem zvyšují stabilitu a snižují vibrace ve vysoce namáhaných průmyslových systémech kloubových spojek.
Další je teleskopický nebo roztažitelný univerzální kloub. Má drážky nebo posuvné části, které vám umožňují upravit délku a zároveň kompenzovat nesouosost, což funguje pro axiální pohyby v dynamických nastaveních. Silná univerzální kloubová spojka Raydafon SWC zahrnuje teleskopické možnosti – fungují jako účinná univerzální spojka pro přenos velkého výkonu v místech, jako jsou doly nebo staveniště, kde potřebujete flexibilitu v délce hřídele.
Existují také typy nábojů Solid, Bored nebo Splined. Liší se tím, jak se spojují: plné náboje nemají žádné otvory, vrtané náboje mají kulaté, šestihranné nebo čtvercové otvory a drážkované náboje mají drážky pro těsné uchycení. Pro energeticky úsporná řešení spojky univerzálního kloubu nabízí Raydafon v naší řadě nízkohlučných spojek univerzálního kloubu drážkované konstrukce – optimalizují dodávku točivého momentu a udržují hluk na úrovni 30–40 dB(A) v citlivých průmyslových místech.
Univerzální kloubové spojky Raydafon, včetně řady SWC, jsou vyrobeny s integrovanými konstrukcemi vidlicových hlav – žádné další problémy související se šrouby, což zvyšuje pevnost o 30 % až 50 % a dosahuje účinnosti přenosu až 98,6 %. Díky těmto funkcím jsou naše produkty nejlepší volbou pro profesionály, kteří potřebují přizpůsobená, vysoce výkonná řešení.
Univerzální spojky – jako hlavní příklad si vezměte spojku kardanového kardanového hřídele SWC od Raydafonu – přinášejí velké výhody pro průmyslové převodové systémy. Účinně přesouvají točivý moment mezi hřídelemi, které nejsou vyrovnané, zvládají všechny druhy odchylek a jsou nezbytností pro udržení hladkého chodu operací v náročných prostředích – jako jsou ta, která vyžadují řešení spojky s univerzálním kloubem s vysokým točivým momentem.
Pojďme se ponořit do jejich hlavních výhod: Za prvé, dokážou skvěle kompenzovat nesouosost. Univerzální spojky zvládají úhlové, axiální a radiální nesouososti až do 25 stupňů, což z nich dělá spolehlivou a vysoce namáhanou spojku univerzálního kloubu pro provoz válcoven. Dělají to bez nadměrného mechanického namáhání nebo vibrací, takže vaše stroje zůstávají chráněny.
Pak je tu jejich odolnost a dlouhá životnost. Tyto spojky vyrábíme s integrovaným designem vidlicové hlavy a vysoce pevnými materiály, což snižuje rizika, jako je uvolnění nebo zlomení šroubů – a zvyšuje strukturální integritu o 30 % až 50 %. To je důvod, proč odolná spojka kloubového hřídele SWC ve zvedacích a manipulačních zařízeních tak dobře funguje při dlouhých úsecích v drsných podmínkách; daleko přežije tradiční modely.
Mají také špičkovou nosnost a kapacitu točivého momentu. Průmyslová univerzální kloubová spojka, navržená tak, aby udržela vysokou hmotnost a přenášela jmenovité krouticí momenty od 0,15 do 1000 kN·m, zazáří v systémech univerzálních kloubových spojek těžkých strojů. V těchto sestavách je konzistentní výkon při extrémním zatížení buď jako dělaný nebo rozbitý, a tato spojka vždy dodá.
Pokud jde o účinnost přenosu energie, je těžké je porazit. Vysoce odolná univerzální kloubová spojka SWC s účinností až 98,6 % udržuje nízké ztráty energie. To z něj dělá efektivní univerzální kloubovou spojku pro přenos velkého výkonu ve vysoce výkonných průmyslových aplikacích a v průběhu času tato účinnost přispívá ke skutečným úsporám nákladů.
V neposlední řadě šetří energii a mají tichý chod. Jako energeticky úsporná řešení spojky s univerzálním kloubem snižují spotřebu elektřiny a pracují s hlučností pouhých 30-40 dB(A). Tato nízkohlučná spojka univerzálního kloubu je ideální pro průmyslová místa, kde je problémem hluk – získáte veškerou spolehlivost, kterou potřebujete, bez hlasitého provozu.
Univerzální spojky – většina lidí jim říká spojky s univerzálním kloubem – fungují na jednoduché, ale účinné mechanické myšlence: přenášejí krouticí moment a rotační pohyb mezi dvěma hřídeli, které nejsou dokonale vyrovnané, a zvládají úhlové, axiální a radiální nesouososti bez přeskakování. Vezměte si například spojku kardanového hřídele SWC od Raydafonu – je to skvělá ukázka tohoto principu. K připojení třmenů na každé hřídeli používá čep ve tvaru kříže (často tomu říkáme pavouk), takže přenos síly je hladký i v rušných průmyslových zařízeních.
Srdcem toho, jak to funguje, je křížový čep: umožňuje třmenům se otáčet nezávisle, což umožňuje naklonění hřídele až o 25 stupňů při zachování konstantní dodávky točivého momentu. Tato spojka univerzálního kloubu s vysokým kroutícím momentem také udržuje změny rychlosti otáčení na minimu – zvláště když se jedná o dvojitý kloub – takže je ideální pro práce, které vyžadují spolehlivou a vysoce namáhanou spojku univerzálního kloubu pro provoz válcovny. A u řady SWC od Raydafon jsme přidali integrovanou konstrukci vidlicové hlavy, aby byl tento mechanismus ještě lepší: zbavuje vás problémů, jako je uvolnění šroubů, zvyšuje strukturální pevnost o 30 % až 50 % a pomáhá mu vydržet déle ve vysoce namáhaných místech.
Tento princip také podporuje velkou nosnost. Spojka zvládá jmenovité krouticí momenty od 0,15 do 1000 kN·m s průměry otáčení mezi φ58 a φ620 – proto je odolná spojka s kloubovým hřídelem SWC ve zvedacích a manipulačních zařízeních tak dobrou volbou pro náročné operace. Průmyslová spojka s univerzálním kloubem navíc dosahuje až 98,6% účinnosti přenosu, což snižuje spotřebu energie v systémech univerzálních spojek těžkých strojů.
A co víc, vysokovýkonná univerzální kloubová spojka Raydafon SWC má vlastnosti, které odpovídají zaměření principu na hladký provoz: udržuje přenos stabilní a hluk zůstává mezi 30-40 dB(A). To z ní dělá efektivní univerzální kloubovou spojku pro přenos velkého výkonu a špičkové energeticky úsporné řešení univerzální spojky pro vysoce výkonná průmyslová zařízení. Celkově vzato, tato nízkohlučná spojka univerzálního kloubu udržuje věci v tichosti, takže funguje skvěle na místech, kde je problémem hluk – aniž by byla obětována spolehlivost.
⭐⭐⭐⭐⭐ Li Jun, hlavní inženýr, Jiangsu Power Equipment Co., Ltd.
Již několik měsíců používáme univerzální spojku SWC-BF Standard Flex Flange Type od Raydafonu a funguje skvěle. To, co vyniká nejvíce, je flexibilita této spojky – díky ní jsou naše stroje mnohem spolehlivější, zejména pokud jde o kompenzaci nesouososti hřídele. Instalace byl hladký proces, žádné složité kroky a kvalita svaru také vypadá solidně – rozhodně nám dává jistotu, že to vydrží. Za cenu je to opravdu dobrá hodnota, a pokud jste v odvětví těžkého strojírenství, absolutně bych doporučil tuto flexibilní přírubovou univerzální spojku.
⭐⭐⭐⭐⭐ John Davis, strojní inženýr, Manchester Engineering Ltd., Velká Británie
V naší továrně v Manchesteru jsme vyměnili starou spojku za univerzální spojku Raydafon SWC-BF Standard Flex Flange Type a rozdíl byl okamžitě zřejmý. Tato univerzální spojka přenáší výkon hladce a efektivně, i když ji provozujeme ve vysoce namáhaných podmínkách – nikdy nepolevuje. Flexibilita spojená s pevným designem udržují naše stroje v chodu bez problémů. Raydafon nám navíc rychle doručil zásilku a jejich zákaznický servis byl na špičkové úrovni – díky tomu byl celý zážitek z nákupu mnohem lepší. Vřele doporučuji tuto spolehlivou univerzální spojku s flexibilní přírubou!
⭐⭐⭐⭐⭐ Matteo Rossi, provozní manažer, Milan Industrial Solutions, Itálie
Hledali jsme univerzální spojku, která by dobře zvládala nesouosost, a tak jsme našli univerzální spojku SWC-BF Standard Flex Flange Type od společnosti Raydafon. Používáme ho již několik týdnů a mohu s jistotou říci, že kontroluje všechny naše krabice. Instalace byla snadná, žádné další potíže, a i když jej dáme do náročných podmínek, drží. Kvalita je vynikající za cenu – rozhodně je to chytrá investice do našich strojů. Jsem opravdu spokojený s produktem i službou, kterou nám Raydafon poskytl.
Raydafon není jen výrobce – jsme předním dodavatelem špičkových komponentů převodovek a řešení průmyslových strojů a máme hluboké odborné znalosti v produktech, jako je spojka kardanového hřídele SWC. Začali jsme s inovacemi a kvalitou v našem jádru a postupem času jsme naši řadu rozšířili o převodovky, hnací hřídele, hydraulické válce, řemenice a pokročilé obráběcí stroje – vše zkonstruované tak, aby splňovalo náročné požadavky zemědělského a těžkého průmyslu. Naše řešení spojky s univerzálním kloubem s vysokým kroutícím momentem jsou vyráběna s pečlivostí, aby bylo zajištěno hladké přenášení krouticího momentu a správná náprava nesouososti – jsou absolutní nezbytností pro klienty, kteří potřebují spolehlivou a vysoce výkonnou spojku univerzálního kloubu pro provoz válcoven.
Naše výrobní zařízení jsou na špičkové úrovni: máme CNC dílny, brusky a zařízení pro tepelné zpracování a 3D měřicí systémy. Držíme se přísných norem, jako je ISO9001/TS16949, takže každá průmyslová spojka univerzálního kloubu, kterou vyrábíme, je přesná a vyrobená tak, aby vydržela. Vezměte si například naši odolnou spojku s kloubovým hřídelem SWC ve zvedacích a manipulačních zařízeních – je optimalizována pro místa, která vyžadují značnou nosnou sílu. A naše vysokovýkonná kardanová spojka SWC? Řeší problémy v systémech univerzálních kloubových spojek těžkých strojů, kde se nedá vyjednávat o stabilitě v extrémních podmínkách.
Jsme velcí i v globálním dosahu – 80 % našich produktů se vyváží na trhy, jako jsou USA, Německo, Japonsko, Itálie, Malajsie, Austrálie a Střední východ. Máme silnou síť napříč Čínou, Jižní Koreou, Spojeným královstvím, Singapurem, USA a Španělskem, což nám umožňuje vytvářet vlastní efektivní univerzální kloubové spojky pro velké možnosti přenosu energie. Ty jsou přizpůsobeny konkrétním potřebám, jako jsou naše energeticky úsporná řešení spojky s univerzálním kloubem, která dosahují účinnosti přenosu až 98,6 %, což snižuje spotřebu energie ve vysoce výkonných sestavách.
Udržitelnost a inovace zaměřené na klienta jsou pro nás důležité. Proto nabízíme možnosti nízkohlučných univerzálních spojek, které udržují hluk mezi 30-40 dB(A) – ideální pro průmyslová místa, kde je hluk problémem. A vše zálohujeme plnou poprodejní podporou. Náš závazek dělat věci správně dělá z Raydafonu spolehlivého partnera v přenosovém průmyslu, který pomáhá profesionálům získat nejlepší výkon a spolehlivost z jejich zařízení.
Adresa
Průmyslová oblast Luotuo, okres Zhenhai, město Ningbo, Čína
Tel
E-mailem


+86-574-87168065


Průmyslová oblast Luotuo, okres Zhenhai, město Ningbo, Čína
Copyright © Raydafon Technology Group Co., Limited Všechna práva vyhrazena.
Links | Sitemap | RSS | XML | Zásady ochrany osobních údajů |
