QR kód
Produkty
Kontaktujte nás


Fax
+86-574-87168065

E-mailem

Adresa
Průmyslová oblast Luotuo, okres Zhenhai, město Ningbo, Čína
Pokud máte co do činění se strojními zařízeními, jako jsou čerpadla, která pohybují kapaliny po celý den, ventilátory, které udržují prostory větrané, nebo textilní zařízení, která běží nepřetržitě – potřebujete spojku, která je dostatečně flexibilní, aby zvládla malé nesouososti, ale dostatečně pevná, aby udržela stabilní točivý moment. To je přesně to, k čemu je NL typ Nylon Gear Flexible Coupling společnosti Raydafon vytvořen. Zvládá až 4 mm axiálního vychýlení a 2 stupně úhlového vychýlení, takže i když vaše hřídele nejsou dokonale vyrovnané, udrží vaše zařízení v chodu bez problémů.
Máme modely od NL1 až po NL10, takže se hodí pro téměř všechny lehké až středně náročné práce. Kapacity točivého momentu se pohybují od 40 N·m do 3150 N·m a průměry děr se pohybují od 6 mm do 100 mm – není třeba hledat velikost, která je příliš velká nebo příliš malá. To, co dělá tuto ohebnou spojku s nylonovým ozubením, vyniká svou konstrukcí: vysokopevnostní nylonové pouzdro spárované s ocelovými náboji. Tato kombinace znamená, že běží tiše a při údržbě se ho sotva musíte dotknout – žádné neustálé kontroly nebo opravy, které by vás zpomalovaly. Je to go-to pro flexibilní ozubené spojky pro průmyslové stroje, a pokud konkrétně pracujete s čerpadly, je to jedna z nejspolehlivějších nylonových spojek pro čerpadla v okolí. Jeho kompaktní design se navíc hodí do stísněných sestav a funguje hladce v rozmezí -20 °C až +70 °C – bez ohledu na to, zda je na vašem pracovišti chladno nebo teplo.
V Raydafon vyrábíme tyto spojky v Číně a striktně dodržujeme normy ISO 9001 – každý díl prochází kontrolou, abychom se ujistili, že je odolný a připravený vydržet. Nylonové pouzdro je nejen pevné, ale také nevodivé a odolné proti korozi. To je změna hry pro vlhké prostory nebo oblasti s chemikáliemi, kde by jiné spojky mohly zrezivět nebo se zkratovat – tato vydrží déle. A díky jednoduché konstrukci je montáž a demontáž hračkou: žádné složité nástroje, jen rychlá práce, když potřebujete vyměnit nebo provést údržbu. To je důvod, proč je to nejlepší volba pro zakázkové nylonové převodové spojky – můžeme je vyladit tak, aby vyhovovaly vašemu specifickému nastavení – a je to jedna z nejodolnějších flexibilních převodových spojek pro textilní zařízení, která vydrží neustálý pohyb tkalcovských nebo dopřádacích strojů.
Nabízíme všechny druhy velikostí a konfigurací hřídelí, takže získáte spojku, která je přizpůsobena vašemu strojnímu zařízení – nikoli možnost jedné velikosti. A udržujeme ceny konkurenceschopné, takže za kvalitu nemusíte zbytečně utrácet. Pro podniky po celém světě to znamená méně prostojů (protože se snadno instaluje a udržuje) a lepší efektivitu zařízení – přesně to, co potřebujete, aby provoz běžel hladce.
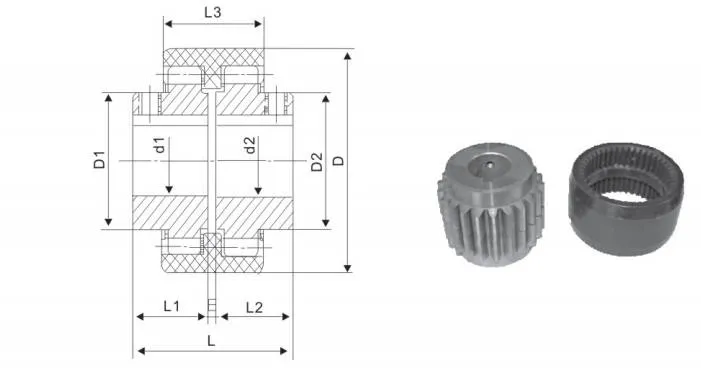
Základní pracovní logika pružné spojky nylonového ozubeného kola typu NL spoléhá na zabírající zuby ozubeného kola, aby se dosáhlo přenosu točivého momentu, zatímco nylonová objímka uvnitř, jako klíčová flexibilní součást, může nejen účinně kompenzovat nesouosost hřídelového systému, ale také hrát důležitou roli při tlumení nárazů. V tomto konstrukčním provedení jsou dva náboje s vnějšími zuby spojeny přes vestavěnou nylonovou vnitřní objímku převodu. Tato kombinace zajišťuje nejen účinný přenos síly v mechanických systémech, ale také výrazně snižuje vibrace a nárazy vznikající během provozu. Tato konstrukční výhoda je zřejmá zejména v případech použití nylonových ozubených pružných spojek typu NL, které je třeba přizpůsobit malým a středně velkým zařízením.
Když hnací hřídel přenáší točivý moment na jeden z nábojů, vnější zuby na náboji přesně zapadnou do vnitřních zubů nylonové vnitřní objímky převodu a poté bude nylonová vnitřní objímka převodu plynule přenášet výkon na druhý náboj připojený k hnané hřídeli. I za pracovních podmínek, kdy dochází k úhlovému, paralelnímu nebo axiálnímu nesouososti v hřídelovém systému, může tento záběrový převodový mechanismus stále zajistit stabilní provoz zařízení. Proto je v oblastech, které vyžadují spolehlivá řešení flexibilních ozubených spojek, jako jsou přenosové systémy automatizovaných výrobních linek, silové připojení čerpacího zařízení a hnací zařízení dopravníků, preferovaným produktem nylonová ozubená spojka typu NL.
Nylonový materiál použitý v samotné nylonové ozubené spojce typu NL má vynikající elastické a tlumicí vlastnosti, které mohou nejen snížit opotřebení mechanického zařízení k němu připojeného, ale také prodloužit životnost celého převodového systému. Jako profesionální výrobce ozubených spojek Raydafon vybírá pokročilé materiály a optimalizuje výrobní proces při výrobě spojek typu NL, což umožňuje, aby si výrobky udržely vynikající výkon za složitých pracovních podmínek v různých průmyslových odvětvích. Například ve scénářích zabývajících se proměnným zatížením se nylonová pružná spojka s ozubeným kolem typu NL vyráběná společností Raydafon může spolehnout na svou vynikající schopnost kompenzace nesouososti, aby se zabránilo poruchám převodovky způsobeným nesouosostí hřídelového systému a zkrátily se prostoje zařízení.
Aby si nylonová převodová pružná spojka typu NL udržela stabilní pracovní účinnost, je nezbytná každodenní údržba, mezi níž je klíčovým článkem pravidelné mazání zubů převodů. Rozumné mazání může snížit ztráty třením při záběru zubů ozubených kol, dále zlepšit provozní stabilitu spojky a snížit pravděpodobnost poruch. Obecně je pracovním principem pružné spojky nylonového ozubeného kola typu NL dosažení silného přenosu točivého momentu při zohlednění flexibility a stability převodového systému prostřednictvím synergického účinku tuhého náboje a pružného nylonového pouzdra. Jako zkušený dodavatel ozubených spojek Raydafon vždy kontroluje přesnost a spolehlivost produktu podle přísných norem, aby zajistil zákazníkům v různých průmyslových odvětvích produkty s nylonovými pružnými spojkami typu NL se silnou přizpůsobivostí a vysokou odolností.
Nylonová převodová flexibilní spojka typu NL je speciálně navržena pro vysoce výkonné aplikace v náročných mechanických scénářích. Zajišťuje stabilní přenos síly a zároveň pružně vyrovnává nesouososti hřídele, což z něj činí vysoce konkurenceschopnou volbu v kategorii nylonových objímkových ozubených spojek. Klíčovým designovým prvkem této spojky je její vysokopevnostní nylonové pouzdro, které spojce propůjčuje nejen vynikající schopnost pružné deformace, ale také výrazně zvyšuje odolnost celkové konstrukce. Díky tomu je obzvláště vhodná jako kritická flexibilní nylonová objímková spojovací součástka v průmyslových zařízeních, která pracují po dlouhou dobu.
Pokud jde o kapacitu přenosu točivého momentu, NL Type Nylon Gear Flexible Coupling poskytuje vynikající výkon a snadno zvládá požadavky na zatížení vysokým točivým momentem. Ať už v těžkých obráběcích strojích, těžebních strojích nebo velkých dopravních zařízeních – z nichž všechny vyžadují vysokou spolehlivost přenosu síly – funguje stabilně a etabluje se jako preferovaný model nylonové ozubené spojky s vysokým kroutícím momentem pro četné pracovní podmínky s vysokým kroutícím momentem. Při řešení běžného problému nesouososti hřídele během mechanického provozu tato pružná nylonová ozubená spojka také prokazuje vynikající přizpůsobivost. Dokáže účinně absorbovat a kompenzovat úhlovou nesouosost, paralelní nesouosost a axiální nesouosost, čímž výrazně snižuje dodatečné namáhání připojených hřídelů a pomáhá prodloužit životnost celého převodového systému. Tato vlastnost je klíčová zejména u výrobních zařízení, která vyžadují dlouhodobý nepřetržitý provoz.
Nylonový materiál Nylon Gear Flexible Coupling typu NL má navíc ze své podstaty vynikající tlumicí a tlumicí vlastnosti. Během provozu zařízení může účinně snížit dopad vibrací a rázů a zajistit hladší provoz převodového systému. V důsledku toho se v dynamických pracovních podmínkách s častými vibracemi stala pro mnoho podniků preferovaným řešením nylonové ozubené spojky tlumící nárazy. Pokud jde o odolnost proti korozi, kromě vynikající odolnosti nylonové manžety proti chemické korozi, kovové součásti této spojky procházejí speciální úpravou, která umožňuje stabilní provoz ve vlhkém, prašném nebo mírně korozivním prostředí. Ve srovnání s tradičními tuhými spojkami vykazuje silnější přizpůsobivost v drsných pracovních podmínkách a plně splňuje požadavky průmyslového sektoru na odolné nylonové ozubené spojky.
Z hlediska provozu a údržby má NL typ Nylon Gear Flexible Coupling bezúdržbovou konstrukci. Odstraňuje potřebu častého přidávání nebo seřizování maziva, což nejen snižuje pracovní zátěž každodenní údržby, ale také snižuje riziko poruch zařízení způsobených nesprávnou údržbou. To efektivně řídí provozní náklady a prostoje, což je dokonale v souladu s kritérii výběru odvětví, která sledují efektivní a nízkou spotřebu flexibilních ozubených spojek nenáročných na údržbu. Mezitím je jeho celková konstrukce lehká a kompaktní, což umožňuje jednoduchou a rychlou instalaci a demontáž. I v uspořádáních zařízení s omezeným prostorem lze snadno dokončit montáž této kompaktní nylonové převodové spojky, což dále zlepšuje efektivitu instalace a údržby zařízení.
Stručně řečeno, integrace NL Type Nylon Gear Flexible Coupling do přenosového systému poskytuje stabilnější a efektivnější provozní podporu pro zařízení. Zejména v oblasti přesné výroby, kde je vyžadována vysoce přesná převodovka, tato vysoce výkonná nylonová objímková spojka – se svým optimalizovaným designem – plně splňuje četné požadavky na přesnost převodu, spolehlivost a přizpůsobivost a slouží jako životně důležitá součást při zvyšování celkového výkonu zařízení.
Nylonová převodová pružná spojka typu NL funguje jako součást převodovky pro všechny druhy mechanických nastavení, která vyžadují stabilní přenos síly. Vyniká nylonovou objímkou – ohýbá se přesně tak, aby absorbovala vibrace a opravovala malé nesouososti hřídele, takže je ideální pro jakékoli použití ozubených spojek, kde potřebujete spolehlivý pohyb točivého momentu bez příliš rychlého opotřebení dílů.
Vezměte si například průmyslové stroje. Tato spojka je skvělá pro připojení motorů k čerpadlům nebo kompresorům. Když tyto stroje běží, často vysílají náhlá rázová zatížení přes systém, ale NL Type Nylon Gear Flexible Coupling tento náraz zmírňuje a pomáhá celé sestavě vydržet déle. A na dopravníkových linkách – víte, na těch, které v továrnách přemísťují materiál nonstop – tato průmyslová spojka s nylonovým pouzdrem zajišťuje hladký chod, i když se mění zatížení. Na rozdíl od starých pevných spojek, které se často porouchají, tato zkracuje prostoje a peníze, které utratíte za opravu věcí.
Automobilový a dopravní svět jej také používá, zejména pro hnací hřídele a díly řízení. Osobní a nákladní automobily se při pohybu musí vypořádat s mnoha točivými vibracemi, ale tato flexibilní převodová spojka pro automobilové pohony je absorbuje. Díky tomu vozidlo nejen lépe jezdí, ale také je bezpečnější – žádné podivné otřesy, které neshazují řízení nebo opotřebovávají hnací ústrojí.
Pokud jde o použití přesných ozubených spojek, jako jsou CNC stroje nebo průmyslové roboty, tato spojka opravdu září. Tyto stroje se točí rychle a potřebují velmi přesný pohyb, ale i malé nesouososti hřídele (jako jsou úhly nebo paralelní posuny) mohou věci zkazit. Nylonová ohebná spojka typu NL řeší tyto problémy a zároveň drží krok s vysokými rychlostmi. To je důvod, proč tolik společností, které budují automatizované montážní linky, hledá tuto nylonovou ozubenou spojku pro přesné CNC zařízení, když potřebují vlastní nastavení.
Najdete jej také v systémech HVAC a úpravnách vody. Tato místa hodně používají ventilátory a dmychadla, a pokud tyto části příliš vibrují, jsou hlučné a porouchají se. Tato flexibilní ozubená spojka tlumící vibrace pro ventilátory HVAC udržuje nízkou hlučnost a stabilní chod zařízení – žádné neočekávané zastavení v procesech vytápění/chlazení nebo úpravy vody.
Celkově vzato, NL Type Nylon Gear Flexible Coupling je cenově výhodná volba pro téměř každé odvětví. Je odolný, snadno se instaluje a zvládne svou práci. Pokud hledáte spolehlivého dodavatele průmyslových ozubených spojek, Raydafon vám může nabídnout vlastní možnosti, které přesně odpovídají vašim potřebám – takže získáte nejlepší výkon a součást s dlouhou životností.
⭐⭐⭐⭐⭐ Wang Lei, strojní inženýr, Guangzhou Machinery Co., Ltd.
Na našich montážních linkách už nějakou dobu máme NL typ NL Nylon Gear Flexible Coupling od Raydafonu a je to stabilní výkon – mnohem spolehlivější než některé jiné spojky, které jsme vyzkoušeli. Nylonový design převodů je zde výjimečný: točivý moment přenáší plynule, žádné trhavé přenosy a omezuje vibrace natolik, že skutečně poznáte rozdíl v tom, jak stroje běží.
Instalace byla také naprostá hračka. V našem vybavení nemáme moc místa navíc, ale tato spojka se perfektně hodí hned po vybalení – není třeba nic upravovat. Běží nonstop a nejsou na něm téměř žádné známky opotřebení; tato trvanlivost znamená, že nezastavujeme výrobu, abychom jej opravili nebo vyměnili tak často. Celkově vzato je to solidní, cenově výhodný výběr, který dělá přesně to, co potřebujeme.
⭐⭐⭐⭐⭐ John Smith, ředitel závodu, Chicago Industrial Solutions, USA
V našem závodě v Chicagu jsme vyměnili naši starou kovovou spojku za NL Type Nylon Gear od Raydafonu a změna nastala ve dne v noci – bylo to cítit, když jsme stroje zapálili. Vibrace, které chrastily díly, se uvolnily? Pryč. Hlasité hučení ze staré spojky? Ztišil se natolik, že podlaha působí klidněji. A přenos síly? Hladký, jak jen může být, i když provozujeme velké zatížení.
A co víc, zvládá nesouosost mnohem lépe než ten kovový – už žádné vylepšování každý týden, aby se věci udržely na správné cestě. Raydafon se k nám také rychle dostal; dodávka proběhla přesně podle plánu a kvalita byla prvotřídní – žádné levné díly nebo nekvalitní práce. Už jsem o tom řekl několika dalším manažerům závodu; toto je druh produktu, o kterém chcete předat slovo.
⭐⭐⭐⭐⭐ Anna Müller, vedoucí údržby, Mnichov Engineering, Německo
Spojku Raydafon NL Type jsme umístili do našich vysokorychlostních strojů před několika měsíci a pro náš tým to změnilo hru. Nylonový materiál převodovky je chytrý – neopotřebovává se tak rychle jako kov, takže díly nevyměňujeme tak často a je mnohem tišší. To může znít málo, ale tišší provoz znamená méně únavy pro tým a méně rozptylování při kontrole vybavení.
Je dostatečně flexibilní, aby zvládl drobné posuny, které přináší vysokorychlostní běh, ale stále dostatečně pevný, aby vydržel tlak – žádné ohýbání nebo lámání. Instalace byla také jednoduchá; naši technici to měli nastavené za hodinu, žádné složité pokyny. Od té doby, co jsme jej nainstalovali, jsme měli mnohem méně zastavení stroje a vše běží hladce. Raydafon prokázal, že je dodavatelem, na kterého se můžeme spolehnout – žádná překvapení, jen dobré produkty.
⭐⭐⭐⭐⭐ Carlos Martínez, provozní ředitel, Madrid Manufacturing Corp., Španělsko
Raydafon NL Type Nylon Gear Flexible Coupling je přesně ten vysoce kvalitní produkt, který jsme hledali. Přidali jsme jej na naši výrobní linku v naději, že snížíme vibrace a zvýšíme efektivitu – a splnilo to v obou ohledech, žádné otázky. Nylonové vybavení mu dává tu správnou míru flexibility, aby věci fungovaly hladce, ale neobětuje sílu – ani když tlačíme na čáru, abychom dodrželi krátké termíny.
Je také kompaktní, což je velké plus pro naše nastavení; nemáme mnoho místa navíc a tato spojka se přesně vejde, aniž by přeplňovala ostatní části. Používáme ho už měsíce a nevyskytly se žádné problémy – žádné poruchy, žádné divné zvuky, jen konzistentní výkon. Mezi samotným produktem a skvělými službami, které jsme od společnosti Raydafon dostali, jsme více než spokojeni. Tohle je strážce.
Adresa
Průmyslová oblast Luotuo, okres Zhenhai, město Ningbo, Čína
Tel
E-mailem


+86-574-87168065


Průmyslová oblast Luotuo, okres Zhenhai, město Ningbo, Čína
Copyright © Raydafon Technology Group Co., Limited Všechna práva vyhrazena.
Links | Sitemap | RSS | XML | Zásady ochrany osobních údajů |
