QR kód
Produkty
Kontaktujte nás


Fax
+86-574-87168065

E-mailem

Adresa
Průmyslová oblast Luotuo, okres Zhenhai, město Ningbo, Čína
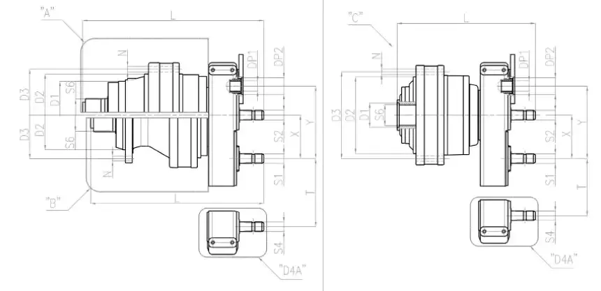
| Model | PG-702 | PG-1002 | PG-1602 | PG-1802 | PG-2502 | PG-3002 | PG-3503 | |||
| Poměr i | 18.2 | 18.3 | 13,4-33,6 | 15.7-29.9 | 14,6-20-36,2 | 45.3 | 53.7 | |||
| Typ výstupu | B | B | B | C | B | C | A | C | C | C |
| D1 |
|
|
|
88 HB |
|
88 HB | 245F7 | 102H7 | 102H7 | 122 HF |
| D2 | 200F7 | 230F7 | 230F7 | 278F7 | 230F | 278F7 | 340F7 | 340F7 | 340F7 | 340F7 |
| D3 | 250 | 295 | 295 | 314 | 295 | 314 | 370 | 370 | 370 | 370 |
| N | ∅15×N°12 | ∅17×N°10 | ∅17×N°10 | ∅15×N°18 | ∅17×N°10 | ∅15×N°18 | ∅17×N°15 | ∅17×N°15 | ∅17×N°15 | ∅17×N°15 |
| L | 646.5 | 627.5 | 693 | 490.5 | 714 | 499.5 | 798.5 | 595.5 | 601 | 680.5 |
| S6 | 70*64 DIN5482 | 80*74 DIN5482 | 100*94 DIN5482 | 80*74 DIN5482 | 100*94 DIN5482 | 80*74 DIN5482 | 100*94 DIN5482 | 100*94 DIN5482 | 100*94 DIN5482 | 120*22*5 DIN5482 |
| S1 | 1" 3/8 Z6 | 1" 3/8 Z6 | 1" 3/8 Z6 | 1" 3/8 Z6 | 1" 3/8 Z6 | 1" 3/8 Z6 | 1" 3/8 Z6 | 1" 3/8 Z6 | 1" 3/8 Z6 | 1" 3/8 Z6 |
| S2 | 1" 3/8 Z6 | 1" 3/8 Z6 | 1" 3/8 Z6 | 1" 3/8 Z6 | 1" 3/8 Z6 | 1" 3/8 Z6 | 1" 3/8 Z6 |
|
|
|
| DP1 | 40*36 DIN5482 | 40*36 DIN5482 | 40*36 DIN5482 | 40*36 DIN5482 | 40*36 DIN5482 | 40*36 DIN5482 | 40*36 DIN5482 | 40*36 DIN5482 | 40*36 DIN5482 | 40*36 DIN5482 |
| DP2 | 60,3 HB | 60,3 HB | 60,3 HB | 60,3 HB | 60,3 HB | 60,3 HB | 60,3 HB | 60,3 HB | 60,3 HB | 60,3 HB |
| X | 157 | 157 | 157 | 157 | 157 | 157 | 157 | 157 | 157 | 157 |
| Y | 262 | 262 | 262 | 262 | 262 | 262 | 262 | 262 | 262 | 262 |
| S4 |
|
|
|
1" 3/8 Z6 |
|
1" 3/8 Z6 |
|
1" 3/8 Z6 | 1" 3/8 Z6 | 1" 3/8 Z6 |
| T |
|
|
|
156.8 |
|
156.8 |
|
156.8 | 156.8 | 156.8 |
| Model | Poměr i | D1 | D2 | D3 | D4 | N | E |
| PG-1602 | 22.14-33.6 | 80*74 DIN5482 | 225 F7 | 278 F7 | 314 | ∅15×N°18 | SAE B/SAE C |
| PG-2502 | 20-36.2 | 100*94 DIN5482 | 245 F7 | 340F7 | 370 | ∅17×N°15 | SAE B/SAE C |
| Model | Poměr i | D1 | D2 | D3 | N | E |
| PG-161 | 3,55-2,49-5,60 | 40*36 DIN5482 | 110 F7 | 165 | ∅10,5×N°8 | SAE A/SAE B/SAE BB/OMTS |
| PG-251 | 4.13-5.17-6.00 | 58*53 DIN5482 | 150 F7 | 195 | ∅13×N°10 | SAE A/SAE B/SAE BB/OMTS |
| PG-501 | 4.13-5.17-6.00 | 58*53 DIN5482 | 150 F7 | 195 | ∅13×N°10 | SAE A/SAE B/SAE BB/OMTS |
VývojPlanetová převodovka krmného mixéru řady PGpramení z hlubokého vhledu do bolestivých bodů přenosového systému tradičních míchacích zařízení. Jeho architektura distribuovaného převodu se třemi planetovými ozubenými koly není jednoduchým vrstvením mechanických struktur, ale díky opakované simulaci napěťových podmínek při různých poměrech surovin je nakonec určena zlatá kombinace modulu ozubeného kola, šířky zubu a úhlu šroubovice. Například při zpracování kukuřičných stonků a směsí sójového šrotu může jeho unikátní design evolventních zubů snížit riziko zaseknutí materiálu o 15 %. Díky procesu vysoce přesného broušení je drsnost povrchu zubů řízena pod Ra0,8, což zvyšuje účinnost převodu o 8 % až 10 % ve srovnání s tradičními převodovkami. Naměřená data krmivárny ukazují, že za 12 hodin nepřetržitého provozu denně je spotřeba energie této převodovky o 14 % nižší než u podobných produktů a amplituda kolísání točivého momentu míchací hřídele je snížena o 22 %, což výrazně zlepšuje rovnoměrnost míchání.
Pro tvrdé částice, jako je písek, kámen a kovové úlomky, které jsou často přimíchávány do vstupních surovin, byla tato převodovka zaměřena z hlediska materiálů a procesů. Tělo převodovky je vyrobeno z legované oceli 20CrMnTi. Po kalení s hloubkou nauhličení 1,2 mm v kombinaci s procesem nízkoteplotního temperování se únavová pevnost kořene zubu v ohybu zvýší na více než 850 MPa. V extrémních pracovních podmínkách neúplného třídění surovin na ranči jeho odolnost proti důlkové korozi obstála v nepřetržitém 500hodinovém testu rázu pískem a štěrkem a na povrchu zubu se objevily jen nepatrné škrábance bez loupání. Zároveň díky optimalizaci uspořádání žeber a předpětí ložiska planetového nosiče může převodovka stále udržovat přesnost převodu, když je vystavena okamžitému nárazu 1,5násobku jmenovitého točivého momentu, čímž se vyhne riziku vyosení ozubeného kola nebo zlomení zubu způsobeného přetížením.
Inteligentní konstrukce převodovky je odvozena z hlubokého porozumění problematickým bodům provozu a údržby v průmyslu zpracování krmiv. Jeho vestavěný inteligentní monitorovací modul není jednoduchým sběračem dat, ale křížovou analýzou teplot, vibrací, proudu a dalších signálů prostřednictvím algoritmického modelu. Když je například zjištěna abnormálně vysoká teplota ložiska, systém zkombinuje údaje o historii zatížení, aby určil, zda se jedná o nedostatečné mazání nebo opotřebení ložiska, a podá konkrétní doporučení pro údržbu. Po použití tohoto systému se krmivářská společnost vyhnula třem neplánovaným odstávkám výměnou maziva a seřízením vůle ložisek předem a celková účinnost zařízení (OEE) se zvýšila o 18 %. Kromě toho byl návrh jeho modulární rychloupínací struktury inspirován zpětnou vazbou pracovníků údržby v první linii. K dokončení celkové výměny planetového soukolí stačí povolit pouze čtyři šrouby a doba údržby se zkrátí ze 4 hodin u tradiční konstrukce na 1,5 hodiny.
Pokud jde o ochranu životního prostředí a optimalizaci energetické účinnosti, inovativní design převodovky vychází z přesného pochopení potřeb krmivářského průmyslu snížit náklady a zvýšit účinnost. Jeho struktura pro odvod tepla slepě nezvětšuje plochu pro odvod tepla, ale optimalizuje úhel spirály a rozteč žeber pro odvod tepla prostřednictvím simulace mechaniky tekutin, takže účinnost přirozeného odvodu tepla se zvýší o 30 %, čímž se sníží spotřeba energie chladicího ventilátoru. V mazacím systému je použita technologie dvouzónového zásobování olejem, která dynamicky upravuje objem oleje podle zatížení, čímž se vyhýbá „zaplavovacímu“ způsobu mazání tradičních převodovek a snižuje spotřebu maziva o 25 %. Skutečné měření linky na výrobu krmiv exportované do Evropy ukazuje, že hlučnost převodovky je o 5 dB nižší než norma EU a její úroveň energetické účinnosti dosahuje normy IE3, což zákazníkům pomáhá úspěšně projít certifikací energetické účinnosti dovážející země. Tento designový koncept, který hluboce spojuje technické detaily s komerční hodnotou, je klíčem k tomu, aby produkt získal uznání na trhu.
Ahoj! Jsem Elena García, zákaznice z Barcelony, Španělsko. Vaši planetovou převodovku používáme v našem systému sledování fotovoltaických panelů rok a půl. Toto zařízení zcela vyřešilo náš problém s přesností sledování slunečního svitu - převodovka, kterou jsme používali dříve, měla každé ráno a večer vždy odchylku sledování asi 5 stupňů, zatímco vaše planetová převodovka s kodérem může řídit chybu sledování v rozmezí 0,5 stupně. Průměrná denní výroba energie fotovoltaických panelů se nyní ve srovnání s dříve zvýšila o 18 % a dokonce i účet za elektřinu se výrazně snížil. Nyní tato planetová převodovka obstála ve zkoušce solné mlhy a silného větru ve fotovoltaické elektrárně na pobřeží. Antikorozní nátěr skříně převodovky nejevil žádné známky odpadávání a vnitřní převodový olej není třeba vyměňovat tak často jako dříve. Těším se na budoucí spolupráci na dalších projektech obnovitelné energie!
Jsem Hans Müller, strojní inženýr z Německa. Před půl rokem jsem zakoupil planetové převodovky Raydafon pro modernizaci výrobní linky. Po použití předčily má očekávání! Zařízení běží při vysokém zatížení 16 hodin denně, aby zpracovávalo vysokoviskózní suroviny. Hlučnost převodovky je snížena o 20 %, účinnost převodovky je stabilní na více než 94 %, nárůst teploty je vždy řízen do 25 °C a životnost je mnohem vyšší než u starých modelů. Váš tým byl profesionální a efektivní během celého procesu, od včasné optimalizace parametrů, přes úpravu těsnící struktury až po vzdálené ladění. Detailní design (jako jsou prachotěsná těsnění a standardizované montážní otvory) dále odráží hluboké pochopení skutečných pracovních podmínek. Kvalita produktů a úroveň služeb Raydafon mě přiměly jej bez váhání zařadit na seznam dlouhodobých dodavatelů a vřele jej doporučit svým kolegům!
Tolik let provozuji ranč a vyměnil jsem mnoho převodovek. Až když jsem použil planetovou převodovku Raydafon, opravdu jsem si uvědomil, co to znamená být bez starostí! Zařízení, které jsem dříve používal, bylo při míchání siláže vždy poddimenzované a převody často prokluzovaly. Nečekal jsem, že vaše planetová převodovka bude tak výkonná. Instalace vašeho produktu je mnohem jednodušší, než jsem si myslel, a také se snadno udržuje. Když jsem minule sám denně prováděl kontrolu, zjistil jsem, že převodovka je velmi dobře utěsněná a po úniku oleje není vůbec vidět. Určitě tě budu i nadále podporovat a doporučovat svým rančerským přátelům! ---- Mark Johnson
Adresa
Průmyslová oblast Luotuo, okres Zhenhai, město Ningbo, Čína
Tel
E-mailem


+86-574-87168065


Průmyslová oblast Luotuo, okres Zhenhai, město Ningbo, Čína
Copyright © Raydafon Technology Group Co., Limited Všechna práva vyhrazena.
Links | Sitemap | RSS | XML | Zásady ochrany osobních údajů |
