QR kód
Produkty
Kontaktujte nás


Fax
+86-574-87168065

E-mailem

Adresa
Průmyslová oblast Luotuo, okres Zhenhai, město Ningbo, Čína
Výkonový "reléový závod": Převodovka směšovače krmiva je jako "kapitán relé" pro přenos síly. Po nastartování motoru se výkon nejprve přenese na vstupní hřídel převodovky a poté se dosáhne „změny otáček“ záběrem skupiny ozubených kol různých velikostí ve skříni. Například, pokud se vstupní hřídel otočí 1000krát za minutu, výstupní hřídel se může po převodu skupiny převodů otočit pouze 100krát, ale točivý moment se výrazně zvýší. Tato silná síla je pak přenášena na míchací hřídel, což umožňuje míchacím lopatkám rychle míchat krmivo a snadno si poradit s „tvrdým zbožím“, jako je píce s vysokým obsahem vlákniny.
Přesný záběr, snížené ztráty: Ozubená kola v převodovce nejsou seřazena náhodně. Ozubená kola vyráběná Raydafonem mají přesně vypočítaný a zpracovaný tvar zubů a při záběru těsně zapadají jako dva kousky skládačky, které do sebe dokonale zapadají. Tímto způsobem dochází k velmi malému tření při přenosu výkonu, menším ztrátám energie a většinu výkonu lze využít pro míchání. Je to jako instalovat „energeticky úsporné jádro“ na krmnou míchačku, díky čemuž je práce energičtější bez plýtvání energií.
Flexibilní přizpůsobení potřebám: Různá krmiva a různá množství míchání vyžadují různé rychlosti. Krása převodovky směšovače krmiva spočívá v tom, že ji lze flexibilně nastavit. Změnou kombinace převodových soustrojí lze dosáhnout různých rychlostních poměrů pro splnění různých potřeb. Pokud chcete rychle míchat siláž a koncentrovat, zvyšte rychlost; chcete-li manipulovat s křehkými surovinami, snižte otáčky a mixujte pomalu, vše zvládne převodovka.
Stabilní podpora a odolnost: Tělo převodovky je ekvivalentní „strážci“ celého převodového systému. Vysoce pevný litinový materiál, pevný a odolný proti nárazům, může stabilně nést vnitřní ozubená kola a ložiska. Vnitřní ložiska jsou speciálně mazána pro hladké otáčení a snížení opotřebení. I když při míchání krmiva vznikají vibrace, převodovka dokáže zajistit stabilní záběr ozubených kol, trvale dodávat stabilní výkon a prodloužit celkovou životnost.
Výrobní proces produktů Raydafon byl přísně testován a po skutečné instalaci může být plně funkční. Výběr našich produktů znamená, že jste si vybrali klid.
| Poměr | Vstup otáčky za minutu |
Vstupní výkon | Výstup | Model | Komentáře | |
| Kw | HP | Nm | ||||
| 16,1:1 | 540 | 44.7 | 60 | 11600 | G1-0314 |
|
| 19,4:1 | 540 | 26.1 | 35 | 8600 | G1-0514 |
|
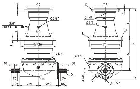
| Číslo | A | B | C | D | E | F | G | H | 1 | J | K | L | M | N | ||||||||||||||||||
| 1 | ⌀200 h7 | ⌀278 | 12-M16 NEK⌀245 | 15 | 25 | ⌀280 f7 | ⌀380 | 12-M16 |
|
26 | 30 | 353 | 300 | 785 | ||||||||||||||||||
| 2 | ⌀200 h7 | ⌀278 | 12-M16 NEK⌀245 | 15 | 25 | ⌀280 f7 | ⌀380 | 12-M16 |
|
26 | 30 | 353 | 402.5 | 857.5 | ||||||||||||||||||
| 3 | ⌀278 h8 | ⌀345 | 15-M16 EQS⌀314 | 8 | 25 | ⌀348 h8 | ⌀385 | 12-⌀17 | 2-M18 | 10.5 | 29 | 351 | 321.5 | 774.5 | ||||||||||||||||||
| 4 | ⌀278 h8 | ⌀345 | 15-M16 EQS⌀314 | 8 | 25 | ⌀348 h8 | ⌀385 | 12-⌀17 | 2-M18 | 10.5 | 29 | 351 | 394 | 847 | ||||||||||||||||||
| 5 | ⌀154,8 h8 | ⌀250 | 12-M20*1,5 EQS⌀205 | 12 | 39 | ⌀348 h8 | ⌀385 | 12-⌀17 | 2-M18 | 10.5 | 29 | 354.5 | 321.5 | 778 | ||||||||||||||||||
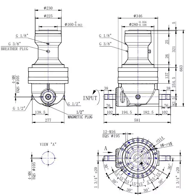
| Poměr | lnput otáčky za minutu |
Vstupní výkon | Výstup Nm |
Vstupní hřídel | Komentáře | |||||||||||||||||||||||||||
| kW | HP | |||||||||||||||||||||||||||||||
| 13,4:1 | 540 | 85.8 | 115 | 17984 | X |
|
||||||||||||||||||||||||||
| 14,6:1 | 540 | 70.8 | 95 | 16187 | X |
|
||||||||||||||||||||||||||
| 16,1:1 | 540 | 63.4 | 85 | 15971 | X |
|
||||||||||||||||||||||||||
| 18,2:1 | 540 | 44.7 | 60 | 12744 | X |
|
||||||||||||||||||||||||||
| 21,1:1 | 540 | 37.3 | 50 | 12312 | X |
|
||||||||||||||||||||||||||
| 25,9:1 | 1000 | 82 | 110 | 17954 | X |
|
||||||||||||||||||||||||||
| 28,3:1 | 1000 | 67.1 | 90 | 16051 | X |
|
||||||||||||||||||||||||||
Ocelové „tělo“ je super odolné: Tato převodovka je vyrobena ze zesílené vysokopevnostní litiny a celá skříň je pevná jako plášť tanku. Ať už se jedná o vlhké prostředí při míchání siláže nebo prudké vibrace způsobené manipulací s peletizovaným krmivem, vydrží to stabilně. Vnitřní ozubená kola jsou nauhličená a kalená a tvrdost povrchu zubů je až HRC58. Odolnost proti opotřebení je 3x silnější než u běžných ozubených kol. Používá se nepřetržitě pět nebo šest let v prašných a silně zatížených farmách a výkon je stále "online" a počet oprav je velmi malý.
Přenos síly "nulový odpad": Design je plný důmyslnosti! Přesnost záběru ozubených kol dosahuje úrovně vlasu a účinnost přenosu výkonu přesahuje 95 %. Jiným převodovkám může při mixování „ucházet“ velký výkon, ale naše převodovka Feed Mixer pro TMR Mixer EP RMG dokáže využít veškerý výkon motoru na lopatku. Pro stejné namíchání 5 tun krmiva může být použití naší převodovky o 15 minut rychlejší a ušetřit 20 % účtů za elektřinu, což farmářům ušetří skutečné peníze.
„Univerzální přizpůsobivost“ je super bez starostí: Ať už se jedná o jednoduchý mixér na malé farmě nebo obří zařízení ve velké továrně na krmiva, tuto převodovku lze bez problémů připojit. Poměr otáček lze libovolně nastavit od 2:1 do 15:1 a objemové krmivo, koncentrované krmivo a směsné krmivo lze míchat, jak chcete. Instalace je také snadná a není třeba dělat velké změny na zařízení. Běžní pracovníci to podle návodu zvládnou za půl hodiny, což se hodí hlavně pro farmáře, kteří spěchají. "Inteligentní ochrana" je super ohleduplná: Převodovka má vestavěné zařízení na ochranu proti přetížení. Jakmile je zatížení míchání příliš velké, automaticky se „zastaví“, aby nedošlo k poškození převodů, což nejen chrání stroj, ale také zabraňuje bezpečnostním nehodám. Konstrukční řešení je navíc rozumné. Otevřením krabice můžete vyměnit ložisko nebo opravit ozubené kolo. Není to tak problematické jako demontáž „ruské panenky“. Prostoje a doba údržby jsou výrazně zkráceny, což zajišťuje, že se farma nezastaví.
Jako zahraniční zákazník chci opravdu poděkovat společnosti Raydafon! Vaše převodovka míchačky krmiva se opravdu snadno používá. Od doby instalace zařízení běží velmi hladce a pracovní efektivita je mnohem vyšší než dříve. Převodovka je vyrobena z pevných a odolných materiálů, snadno se instaluje a udržuje. Vyřešilo to staré problémy, které jsme měli na našem předchozím zařízení. Pochválit musím především poprodejní servis. Při používání jsme narazili na několik malých otázek a rychle jste na to přišli. Je velmi spolehlivá. Tato spolupráce je opravdu dobrá. Vaše produkty jsem doporučil svým kolegům a těším se na budoucí spolupráci! -----James Carter
Ahoj, já jsem David Johnson, zákazník Raydafonu. Vaše převodovky směšovačů krmiva jsem koupil již dříve a opravdu se skvěle používají! Po instalaci této převodovky běží naše míchačka krmiva mnohem plynuleji než dříve a účinnost se zlepšila. Dříve jsem se obával zasekávání zařízení, ale nyní se o to nemusím starat vůbec. Nejcennější mi přijde, že je velmi odolný, materiál je pevný a není problém jej každodenně udržovat. Stačí utáhnout pár šroubů a zkontrolovat hladinu oleje, na rozdíl od předchozí výbavy, kterou je potřeba každých pár dní vyhodit. Minule jsem měl několik malých otázek, když jsem zde působil, poslal jsem e-mail vašemu poprodejnímu servisu a ve stejný den jsem obdržel odpověď. Inženýr také nakreslil schéma, aby mě naučil, jak to nastavit. Tato služba je skvělá! Abych byl upřímný, často si o vašich produktech povídám s kolegy, když spolu večeřím. Dobré věci by mělo znát více lidí. Doufám, že s vámi budu i nadále spolupracovat a přeji si, aby se vaše podnikání stalo stále populárnějším!
Jmenuji se Michael Brown. Trochu jsem váhala, když jsem si poprvé koupila vaše Feed Mixer Gearboxes, přeci jen jsem se předtím nechala ošidit jinými produkty, ale po téměř půl roce používání dávám opravdu palec nahoru! Hlučnost této převodovky je mnohem menší než dříve. Předtím to bylo jako hrom, když byl zapnutý, ale teď nemusím křičet, když mluvím v dílně. Nejpřekvapivější je účinnost. Dříve trvalo namíchat dávku krmiva 40 minut, ale nyní to lze zvládnout za 25 minut a pásový dopravník také zvýšil rychlost. Minulý týden dvakrát blikla kontrolka převodovky. Napadlo mě, jestli je problém, tak jsem zavolal váš poprodejní servis. Dívka, která zvedla telefon, byla velmi trpělivá. Nechala mě udělat pár fotek a navedla mě, abych na místě očistil prach ze snímače. Netrvalo to déle než 10 minut. Převodovka je vyrobena z pevných materiálů. Vnější plášť působí těžce. Minule to omylem odřel vysokozdvižný vozík a zanechal po sobě malou stopu, ale části uvnitř nebyly zasaženy. Pořád jsem mluvil o vašich produktech, když jsem popíjel s farmářem od vedle. Příští měsíc si také plánuje jeden objednat! Těším se, až v budoucnu vyzkouším vaše nové příslušenství, a přeji vám, abyste byli silnější a silnější!
Adresa
Průmyslová oblast Luotuo, okres Zhenhai, město Ningbo, Čína
Tel
E-mailem


+86-574-87168065


Průmyslová oblast Luotuo, okres Zhenhai, město Ningbo, Čína
Copyright © Raydafon Technology Group Co., Limited Všechna práva vyhrazena.
Links | Sitemap | RSS | XML | Zásady ochrany osobních údajů |
